Fail-safe Actuator
The HL-L series delivers a torque output of 50 Nm to 250 Nm and features a built-in lithium battery that drives the actuator to a safe position (fully OPEN/CLOSED/STOP) in the event of a power failure, ensuring reliable electronic fail-safe positioning.
Additional features include
Selectable fail-safe position via onboard switch (OPEN/CLOSED/STOP)
High torque capacity, suitable for larger valves
Stable lithium power source with longer standby life and temperature resilience
Built-in overload protection: actuator stops automatically when valve is blocked
Modular design : easy production and maintenance

Technical Data

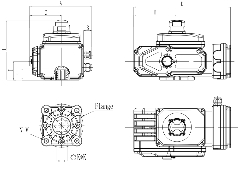
Technical parameter
Model | A | B | C | D | E | H | T | I | K*K | Flange | N-M |
HL1-05 | 170 | 26 | 75 | 213 | 87 | 130 | 26 | 42 | 9*9 11*11 14*14 | F03 F05 F07 | 4-M5 4-M6 4-M8 |
HL2-10 HL2-16 | 171 | 26 | 82.5 | 253 | 105 | 139 | 35 | 52 | 14*14 17*17 | F05 F07 | 4-M6 4-M8 |
HL3-25 | 210 | 26 | 104 | 315 | 140 | 159 | 45 | 61.5 | 17*17 22*22 | F07 F10 F12 | 4-M8 4-M10 4-M12 |
Model | Torque (N.m) | Time (S/90°) | Motor power (w) | Rated Current (A) | |
24VDC | 220VAC | ||||
HL1-05 | 50 | 20 | 15 | 0.7 | 1.0 |
HL2-10 | 100 | 15 | 25 | 0.7 | 1.0 |
HL2-16 | 160 | 20 | 25 | 0.7 | 1.0 |
HL3-25 | 250 | 15 | 40 | 0.7 | 1.0 |